Konstruktion

Mögliche Entwicklungs- und Konstruktionsaufgaben:

  • Sondermaschinen u. Anlagenteile
  • Vorrichtungen und Montageanlagen
  • Automatisierung
  • Und vieles mehr – fragen Sie uns einfach!
Modularer Wickel- und Schneidtisch
Modularer Wickel- und Schneidtisch
Modularer Wickel- und Schneidtisch
Modularer Wickel- und Schneidtisch
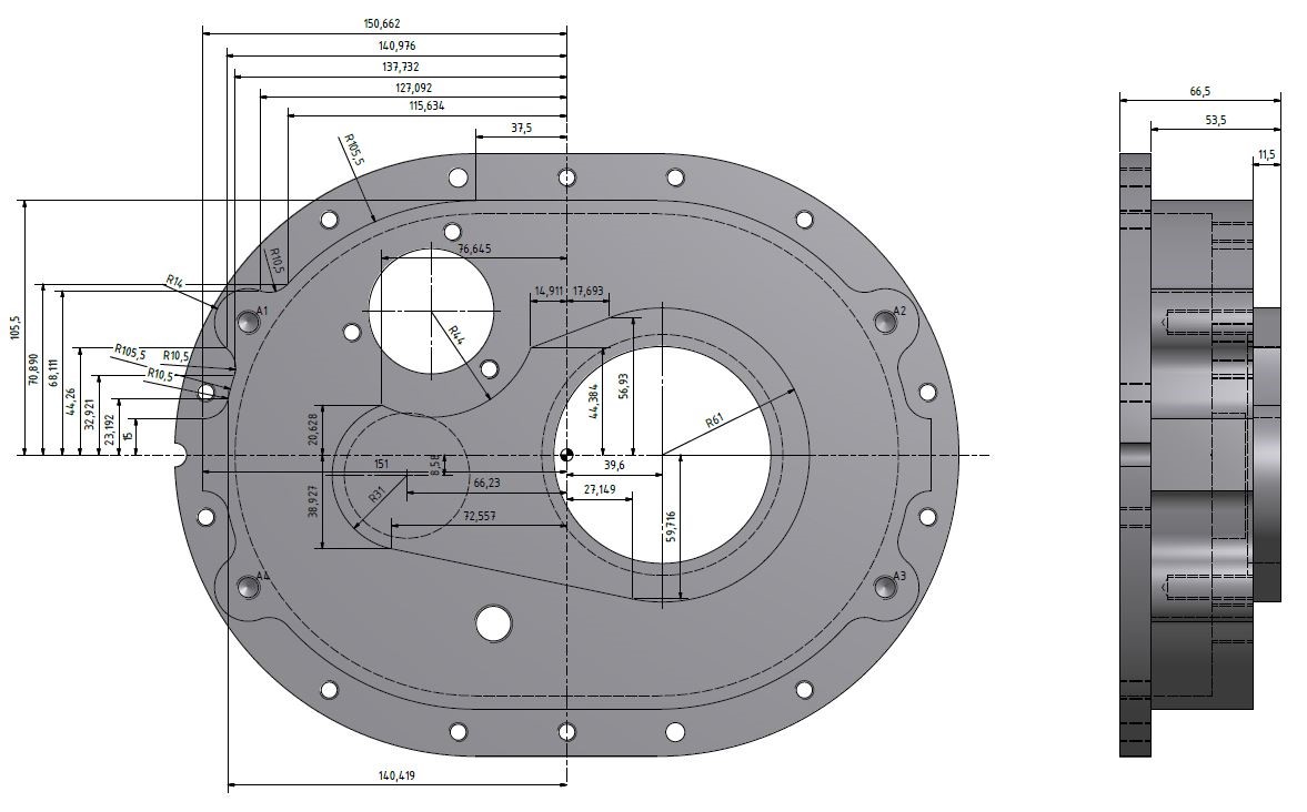
Zeichnung Getriebegehäuse
Zeichnung Getriebegehäuse
Umsetzung Getriebegehäuse
Umsetzung Getriebegehäuse
Teil einer Flachwaren Streckmaschine
Teil einer Flachwaren Streckmaschine
Teil einer Flachwaren Streckmaschine
Teil einer Flachwaren Streckmaschine

Die Entwicklung und Konstruktion von technischen Lösungen ist bei Diegner & Schade häufig Teil des Kundenauftrags beim Bau von Sondermaschinen. Aber auch als eigenständige Dienstleistung bieten wir die CAD-Konstruktion von Maschinen und Anlagen an. Weitreichende Erfahrungen auf breitem Horizont sowie hochmotivierte Mitarbeiter gewährleisten eine reibungslose Entwicklung, Konstruktion und Fertigung.

Schon der Erstkontakt mit dem technischen Außendienst wird Sie begeistern und von unserer Kompetenz überzeugen. Im nächsten Schritt arbeiten wir eng mit unsren Kunden zusammen, um die Anforderungen und mögliche Lösungen zu erarbeiten. Im Austausch mit Ihnen entsteht zunächst das Konzept, dann die Konstruktion und schließlich die technische Dokumentation inkl. 2D- und 3D-Daten.

Unser Know-how im Sondermaschinen- und Steuerungsbau stellt dabei durchweg sicher, dass die Entwicklung und Konstruktion schon auf die nachfolgenden Prozessschritte optimal abgestimmt ist. Durch die ständige Optimierung schon im Vorfeld von Beschaffung und Fertigung werden Kosten und Durchlaufzeiten reduziert.

Unsere Leistungsangebote im Überblick:

  • Konstruktion von Einzelteilen und Baugruppen mittels 3D-CAD (Inventor)
  • Ableitung von 2D-Zeichnungen, Detaillierung und Stücklistenerstellung
  • Graphische Darstellung zu Präsentationszwecken
  • Elektrische Anlagenplanung inkl. Steuerungsaufbau (E-Plan)
  • Auslegung weiterer Anlagenbestandteile, z.B. pneumatische Steuerungen
Verkauf & Betriebsleitung Henning Horstkamp

Verkauf & Betriebsleitung
Henning Horstkamp


Fertigungs- & Konstruktionsleitung Ing. Henning Tripp

Fertigungs- & Konstruktionsleitung
Ing. Henning Tripp


Mech. + el. Konstruktion Pascal Kapitza

Mech. + el. Konstruktion
Pascal Kapitza